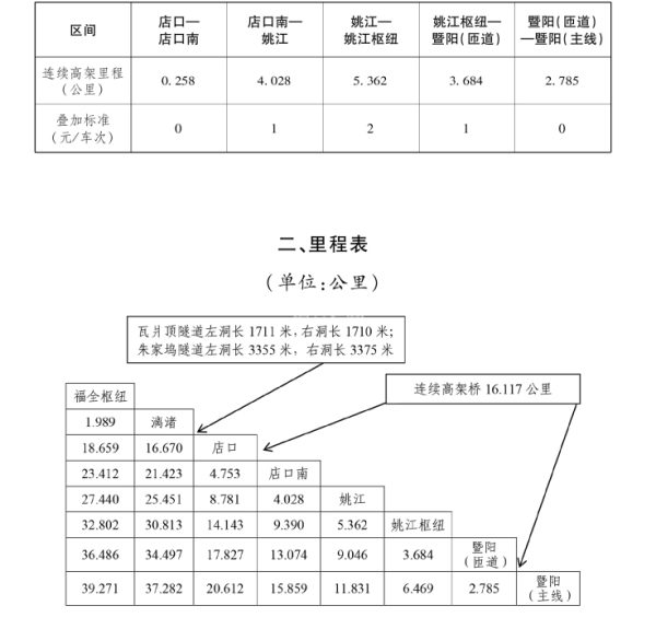
看了下主要还是店口到诸暨连续高架桥多收4块,漓渚两个隧道多收3块 



网友评论
幻祈前天 22:40绍兴
不知道啥时候开通
绍兴e子昨天 00:05浙江
柯诸高速,作为杭州都市圈环线高速(杭州二绕)的收官之作,将于26日(周五)12点正式通车!
袍江007昨天 07:33绍兴
收到,收到。
8179427昨天 09:58绍兴
喜事连连
e网用户900昨天 10:02绍兴
104国道 西延的啥时候开通 





东湖樵夫昨天 10:02绍兴
回 第1楼(幻祈)的帖子 幻祈:不知道啥时候开通 (2025-12-24 22:40)
26号
枫之星缘昨天 12:11绍兴
回 第1楼(幻祈)的帖子 幻祈:不知道啥时候开通 (2025-12-24 22:40)
明天
寒江昨天 16:44绍兴
这个车次费收费极不合理,建议取消
绍兴e子昨天 20:43浙江
福全枢纽到终点收费站27.7元,
正在热议
1
为何今年结婚的人特别少?
12月20日5.1万阅读

2
在婚姻里面,女人是不是白眼狼?
12月25日2.2万阅读

3
米酒做起来
12月23日1.5万阅读

4
朴实的婚礼
12月25日1.3万阅读
5
书圣故里这块招牌太霸道了吧
12月23日2.1万阅读

6
苏宁亮灯仪式
12月22日1.4万阅读

7
工地人的午餐
12月20日2.3万阅读

8
老头乐开车真猛还自由
12月22日1.8万阅读

9
人口少于300万的母县,压根不应该造地铁
12月22日1.2万阅读
10
苏宁广场潜在消费范围人口其实已经超过二环内了。
12月24日1万阅读

11
一个没有标准答案的“选择题”:去哪过年?
12月24日1万阅读
12
绍兴苏宁广场最新进展
12月23日6056阅读

13
带着哭腔报警!4名游客被困绍兴一处峭壁,包括2名孩子
12月25日7685阅读

14
旧衣物回收
12月22日1万阅读

15
绍兴古街突现巨型广告牌,遮挡风景?最新回应
12月23日1.1万阅读

16
今日冬至,你们还有吃饺子的习惯吗?
12月21日5181阅读

17
绍兴鉴湖南部枢纽首末站的萧条
12月20日1.4万阅读

18
有人一个月三五千,有人一天三五千,上班的意义何在?
12月22日1.1万阅读

19
平水江水库水位走低, 浅滩变身冬日“草原”
12月23日1.4万阅读

20
2026年,第一波,雪的消息!!!!
12月24日1万阅读

我来说两句...


收到打赏1.5元




